正己烷中12种农药类(HJ768-2015)
-
二氯甲烷中2种替代物混标(2-氟联苯、对三联苯-d14)
NCS161054-2000-H2 | 2000ug/mL
-
甲醇中8种苯系物(标液)(苯 甲苯 乙苯 对-二甲苯 间-二甲苯 异丙苯 邻-二甲苯 苯乙烯)
BW08287 | 5000μg/mL
-
标样-二硫化碳中8种苯系物(质控)(苯 甲苯 乙苯 对-二甲苯 间-二甲苯 异丙苯 邻-二甲苯 苯乙烯)
BW03933d | 质控5μg/mL
-
亚麻酸甲酯,8种顺反异构体混标
ZR-70045 | 70045μg/mL
-
甲醇中2种VOCs混标溶液(GB/T 35953-2018),1000μg/mL
1STG8966-1000M | 1000μg/mL



本标准物质主要用于测量仪器校准、分析方法评价和质量控制,以及食品、卫生、环境和农业等领域相应成分含量测定与残留检测。
一、 样品制备
本标准物质以纯度经准确定值的甲拌磷(CAS 号:298-02-2),乐果(CAS号:60-51-5),二嗪农(CAS 号:333-41-5),乙拌磷(CAS 号:298-04-4),异稻瘟净(CAS 号:26087-47-8),甲基对硫磷(CAS 号:298-00-0),马拉硫磷(CAS 号:121-75-5),毒死蜱(CAS 号:2921-88-2),对硫磷(CAS 号:56-38-2),稻丰散(CAS 号:2597-03-7),丙溴磷(CAS 号:41198-08-7),乙硫磷(CAS 号:563-12-2)为原料,以色谱级正己烷为溶剂,采用重量-容量法准确配制而成。
二、 溯源性及定值方法
以配制值作为溶液标准样品浓度的标准值,制备的标准物质和质量控制对照样采用气相色谱法-氢火焰离子化检测器(GC-FID)比对计算,核验配制值,通过使用满足计量学特性要求的制备方法、测量方法和计量器具,保证标准样品的量值溯源性。
三、 特性值及不确定度
编号
名称
标准值
(μg/mL)
扩展不确定度(k=2)(%)
BW04291
稻丰散
200
3
乙硫磷
200
3
甲拌磷
200
3
乐果
200
3
异稻瘟净
200
3
丙溴磷
200
3
乙拌磷
200
3
对硫磷
200
3
马拉硫 磷
200
3
二嗪农
200
3
毒死蜱
200
3
甲基对硫磷
200
3
标准值的不确定度主要由原料纯度、称量、定容以及均匀性、稳定性等不确定度分量合成。
四、 均匀性检验及稳定性考察
依据JJF1343技术规范(等效ISO35指南),随机抽取分装后的样品采用气相色谱法对溶液均匀性检验、稳定性考察。检验结果表明:均匀性符合F检验规则,稳定性考察良好。
本标准样品量值自定值日期起,有效期为24个月,研制单位将继续跟踪监测该标准样品的稳定性,有效期内如发现量值变化,将及时通知用户。
五、 包装、储存及使用
1.包装:本标准样品采用硼硅酸盐玻璃安瓿瓶包装,1.2 mL/支,使用时需准确移取。
2.贮存及使用:冷冻保存(-18℃以下)和避光条件下保存,启封前于室温(20±3)℃平衡,并充分摇匀,按需要准确移取。安瓿瓶一经打开,应立即使用,不可再次熔封后作为标准样品使用。
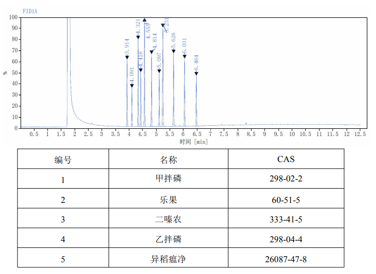
1. 分析条件:
检测器:GC-FID
色谱柱:HP-5 (30m×0.32mm×0.25μm)
流量:1.2mL/min;分流比:5:1
进样口:250℃;检测器:300℃
柱箱:150℃(0min),20℃/min→300℃(5min)
2.色谱图
声明
1. 本标准物质仅供实验室研究与分析测试工作使用。因用户使用或储存不当所引起的投诉,不予承担责任。
2. 收到后请立即核对品种、数量和包装,相关赔偿只限于标准物质本身,不涉及其他任何损失。
3. 仅对加盖“陕西秦境标准物质专用章”的完整证书负责。请妥善保管此证书。
4. 如需获得更多与应用有关的信息,请与技术咨询部门联系。
您正在浏览的产品:正己烷中12种农药类(HJ768-2015)
手机版:正己烷中12种农药类(HJ768-2015)
本公司销售的所有产品仅供实验科研使用,不用于人体及临床诊断。
本标准规定了使用正己烷萃取-气相色谱法测定固体废物中12种有机磷农药的含量,包括:敌敌畏、甲拌磷、乐果、甲基对硫磷、马拉硫磷、毒死蜱、对硫磷、水胺硫磷、杀扑磷、丙溴磷、三唑磷和伏杀硫磷。适用于固体废物及其浸出液中目标物的定性及定量分析。
*注:实际检出限可能因仪器灵敏度及基质干扰而波动±20%
以上信息仅供参考,请以相应标准的原文为准!