甲醇中嗪草酮溶液标准物质
-
甲醇中嗪草酮溶液标准物质
BW03464 | 100μg/mL
-
甲醇中嗪草酮溶液标准物质
GBW(E)084458 | 100μg/mL
-
甲醇中嗪草酮溶液标准物质
GBW(E)084459 | 1000mg/L
-
甲醇
H17125-1 | 色谱级, ≥99.9%
-
甲醇
H17125-3 | GCS,≥99.9%
-
标准溶液
BW81036YW-500mL | 1000mg/L
-
嗪草酮
CCPD100595 | 98.7%
-
丙酮中水合三氯乙醛(以三氯乙醛计)
NCS1600174-D | 1000μg/mL
-
玉米粉中T-2毒素分析质控样品
NCS190287-1 | 见证书
-
甲醇中氟苯尼考溶液标准物质
NCS1602905-100A | 100μg/mL
-
玉米粉中呕吐毒素分析质控样品
NCS190274-5 | 见证书
-
玉米粉中T-2毒素分析质控样品
NCS190287-3 | 见证书



本标准物质主要用于测量仪器校准、分析方法评价和质量控制,以及食品、卫生、环境和农业等领域相应成分含量测定与残留检测。
一、 样品制备
本标准物质以纯度经准确定值的嗪草酮(CAS: 21087-64-9)为原料,以色谱级甲醇为溶剂,采用重量-容量法准确配制而成。
二、 溯源性及定值方法
以配制值作为溶液标准物质浓度的标准值,制备的标准物质和质量控制对照样采用气相色谱法-氢火焰离子化检测器(GC-FID)比对计算,核验配制值。通过使用满足计量学特性要求的制备方法、测量方法和计量器具,保证标准物质的量值溯源性。
三、 特性值及不确定度
编号
名称
标准值
(μg/mL)
相对扩展不确定度(%)(k=2)
BW03465
甲醇中嗪草酮溶液
1000
2
标准值的不确定度主要由原料纯度、称量、定容以及均匀性、稳定性等不确定度分量合成。
四、 均匀性检验及稳定性考察
依据 JJF1343 技术规范(等效 ISO35 指南),随机抽取分装后的样品采用气相色谱法对溶液均匀性检验、稳定性考察。检验结果表明:均匀性符合F 检验规则,稳定性考察良好。
本标准物质量值自定值日期起,有效期为24个月,研制单位将继续跟踪监测该标准物质的稳定性,有效期内如发现量值变化,将及时通知用户。
五、包装、储存及使用
1.包装:本标准物质采用硼硅酸盐玻璃安瓿瓶包装,1.2mL/支,使用时需准确移取。
2.贮存及使用:(0-4℃)冷藏和避光条件下保存,启封前于室温(20±3)℃平衡,并充分摇匀,按需要准确移取。安瓿瓶一经打开,应立即使用,不可再次熔封后作为标准物质使用。
六、分析方法(仅供参考)
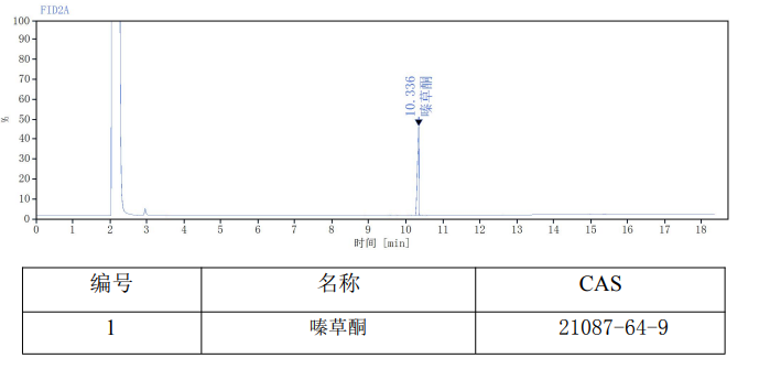
1.分析条件:
检测器:GC-FID
色谱柱:HP-5(30m×250μm×0.25μm)
流 量:1.0mL/min
进样口:250℃
检测器:280℃
柱 箱:80℃,15℃/ min→280℃(5min)
2. 谱图信息
声明
1. 本标准物质仅供实验室研究与分析测试工作使用。因用户使用或储存不当所引起的投诉,不予承担责任。
2. 收到后请立即核对品种、数量和包装,相关赔偿只限于标准物质本身,不涉及其他任何损失。
3. 仅对加盖“陕西秦境标准物质专用章”的完整证书负责。请妥善保管此证书。
4. 如需获得更多与应用有关的信息,请与技术咨询部门联系。
您正在浏览的产品:甲醇中嗪草酮溶液标准物质
手机版:甲醇中嗪草酮溶液标准物质
本公司销售的所有产品仅供实验科研使用,不用于人体及临床诊断。
实际工作中需执行《CNAS-GL035:2018标准物质/标准样品验收指南》,对新购标准物质进行证书有效性核查(含CMC标志、认可标识等),并开展实验室间比对验证,要求|En值|≤1。
以上信息仅供参考,请以相应标准的原文为准!